
混凝土试块高温试验炉
发布时间:2024-02-21 作者: 来源: 浏览次数:
一、实验目的
1、掌握养护后常规混凝土、高性能混凝土及超高性能混凝土试块高温试验操作方法;
2、分析高温后混凝土试块表面损伤情况,记录高温时混凝土的爆裂行为及高温后混凝土的爆裂状况。
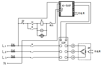
二、实验原理
通过电阻炉温度控制器连接定制电阻炉,控制电阻炉内部温度,进而达到对放入电阻炉内的混凝土加热的效果。温度控制器主要电气原理图如下:

三、实验装置
1、主体结构:定制电阻炉、KSG-15-12C电阻炉温度控制器;
2、电阻炉温度控制器又可分为:箱体、底板。底板后侧含有进出线孔;箱体内部有接触器、熔断器、固态继电器及风扇;箱体面板上包含开关、电流表及数显温度调节仪。
四、实验装置图
